概述:
本機用于膠帶輸送機輸送物料的檢測,可發出有載信號。如有灑水裝置連接,可實現對物料的自動灑水功能。本裝置也可適用于對向運行的膠帶機。
技術參數:
●環境溫度:-30℃~70℃ 相對濕度不大于85%
●動作角度(雙向):±20° 觸點數量:一常開一常閉
●觸點容量:U--380VAC Max I--5A Max
●防護等級:IP -55 可靠性:106次
結構特點:
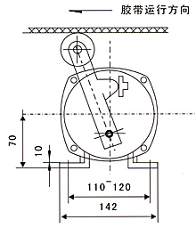
●對于膠帶較寬、帶速較高時采用門式支架安裝,見圖1
●如膠帶較窄、帶速較低時可采用單臂式支架
●采用鏈球與物料接觸,減小了物料對檢測器的直接沖擊,延長了使用壽命
●參見圖1若選用單臂式支架,橫梁在箭頭指向外斷開,橫梁與支臂交接處加儀斜拉鋼,如圖中虛線所示
工作原理:
●KJT-LLI型料流檢測裝置采用下垂鏈球與物料接觸的 檢測方式。當膠帶運 送物料時,物料推動球并帶擺臂向一側偏移,若偏移角度大于20°時,內部開關動作,輸出一組開關信號。
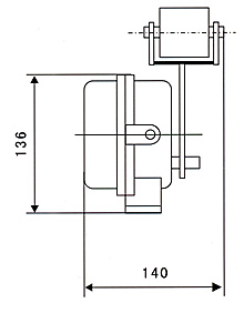
●KJT-LLⅡ型采用有載式檢測。運行中的膠帶加載后,膠帶下沉,安裝在膠帶下面的檢測觸輪受壓并通過杠桿傳動使機內行程開關動作,輸出信號,實現了檢測功能。
安裝調整:
●采用門式支架安裝,將檢測頭固定于橫梁上。
●鏈球高度可視現場情況確定。
●本裝置開關轉換角度為20°,對有傾角的膠帶機可適當調整安裝角度。
●對于單臂式安裝可參照門式安裝方式。
●DLL-Ⅱ型安裝在膠帶下而且下沉量適合大的部位。
●無載荷時,膠帶與觸輪保持接觸。
●定期清除積塵,保持觸輪動作靈活自如。



